根据《中华人民共和国政府信息公开条例》及省人民政府信息公开工作相关要求,现将省审计厅2025年度政府信息公开工作报告如下。
报告内容包含总体情况、主动公开政府信息情况、收到和处理政府信息公开申请情况、政府信息公开行政复议和行政诉讼情况、存在的主要问题及改进情况、其他需要报告的事项6个部分。所列数据统计时限为2025年1月1日至2025年12月31日。
一、总体情况
2025年,省审计厅坚持以习近平新时代中国特色社会主义思想为指导,全面贯彻落实党中央关于信息公开工作的决策部署和省委、省政府工作要求,准确把握政府信息公开职责定位,统筹政府信息公开与安全保密,健全制度办法,优化方式渠道,提高公开质效,更好发挥政府信息公开功能作用,以高质量政府信息公开服务审计工作高质量发展,服务经济社会发展大局。
(一)主动公开方面
一是积极推动重大行政决策事项公开。严格落实重大行政决策规定,主动公示年度重大行政决策事项公开征求意见反馈和采纳情况以及重大行政决策事项目录清单。二是主动做好审计结果信息公开。2025年度发布审计结果公告2期15条,自觉接受社会监督,提高审计工作透明度。三是持续做好财政预决算信息公开。发布省、州(市)、县(市、区)三级审计机关2025年部门预算公开和2024年部门决算公开信息共计327篇。四是及时做好调整后的部门权责清单公示工作。主动公示省审计厅年度行政执法、行政复议、行政应诉等情况,发布相关信息4条。五是严格执行《公务员录用规定》等法律法规,全年公开遴选公务员、考试录用公务员等相关信息6条。六是认真落实政府采购相关法规制度,年度发布政府采购信息79条。七是扎实做好建议提案办理情况公开。2025年度承办省十四届人大三次会议代表建议办件1件、省政协十三届三次会议提案会办件1件,积极配合主办单位办理答复工作,均在规定时限内按要求完成办理,办结率为100%。
(二)依申请公开方面
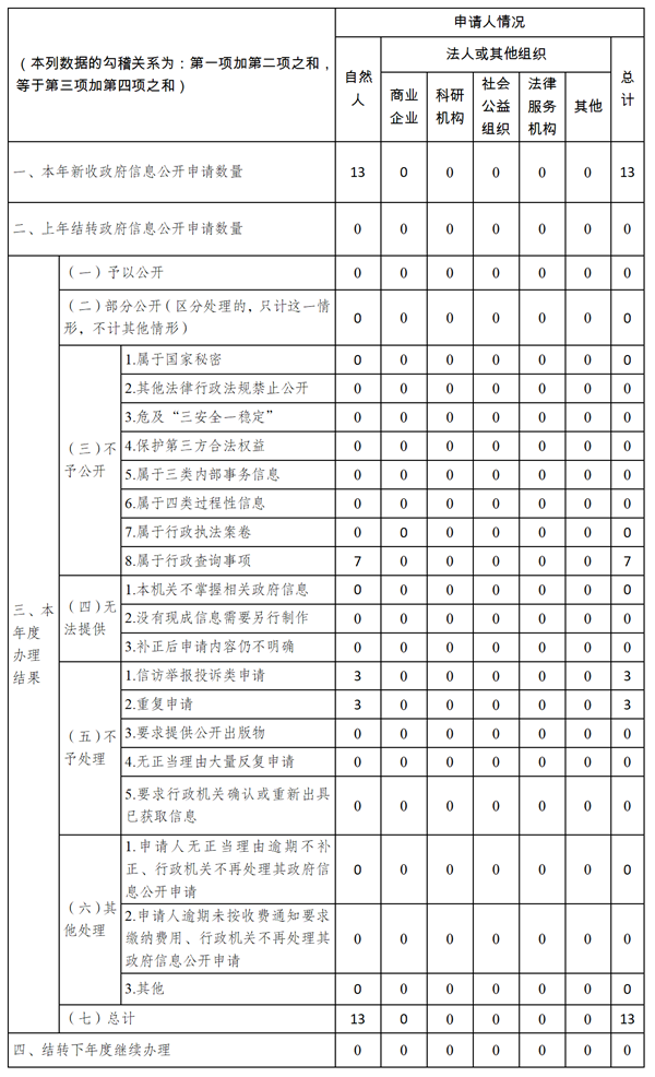
2025年度省审计厅通过云南省政府信息依申请公开系统收到依申请公开事项13件,因申请人逾期未补正个人信息驳回0件,形成政府信息公开申请答复书13件,均在规定时限内给予答复,形式要素、答复内容完备,司法救济渠道明晰。2025年度收到申请人提起行政复议1件,其中结果维持1件。未收到申请人投诉或提起行政诉讼情况。
(三)政府信息管理方面
一是严格落实保密审查制度。对需要公开发布的政府信息均严格执行“经办处(室)初审初核—厅保密办复核—分管厅领导审定”的三级审核程序,确保不发生失泄密事件,不引发政务舆情。二是持续提升政府信息管理规范化建设。省审计厅先后编制印发了《云南省审计厅政府信息公开工作办法》以及审计机关常见政府信息公开申请办理答复文书参考格式供厅机关各处(室)参考学习,进一步提升了政府信息公开答复工作的规范性水平。三是大力提升政务公开工作时效性。2025年通过厅门户网站及时发布信息共计2436条,其中审计要闻、动态共182条,通过“云南审计”公众号发布信息326条,原创内容148条。
(四)平台建设方面
一是畅通互动渠道,积极回应网友关切,及时释疑解惑,维护好网站厅长信箱、互动咨询等栏目,2025年度办结48项“互动交流”回复。二是充分运用“审计宣传内容智能审校及动态监测平台”信息发布前审校和动态监测功能以及全省统一的错敏信息监测系统,常态化监测网站和微信公众号。
(五)监督保障方面
一是加强组织领导。成立厅机关网络舆情处置工作组,各成员单位均按照分工认真履行职责,确保网络舆情应对处置工作平稳有序。二是严格安全防护。认真落实网络安全主体责任,定期组织开展厅机关门户网站安全管理和技术防护措施检查,确保网站安全有序运行。三是做好问题整改。对照存在问题认真研究制定整改措施,明确整改责任,推动整改落实落细。
二、主动公开政府信息情况

三、收到和处理政府信息公开申请情况

四、政府信息公开行政复议、行政诉讼情况

五、存在的主要问题及整改情况
一年来,省审计厅政府信息公开工作虽然取得了一些成效,但对标先进单位仍有一定的差距。如,政府信息公开的广度和深度方面还需要进一步加强。下一步,省审计厅将认真落实中央和省委、省政府关于做好政府信息公开工作的各项要求,持续对政务公开领域内容细化充实,增强政策解读的生动性,切实提高政民互动水平和为民服务质效,努力推动政务公开工作迈上新台阶。
六、其他需要报告的事项
2025年,省审计厅没有根据《政府信息公开信息处理费管理办法》收取信息处理费的情形。
云南省审计厅
2026年1月22日